Утеплитель Пеноплекс технические характеристики — для любых элементов здания
В настоящее время в продаже представлено немало различных теплоизоляционных материалов. Один из них – утеплитель Пеноплекс технические характеристики которого в полной мере соответствуют самым высоким требованиям для термоизоляции практически любых элементов здания.

Утеплитель Пеноплекс технические характеристики
Современные технологии с применением нетоксичных составляющих позволяют изготавливать легкие и удобные в монтаже утеплители. «Пеноплэкс« производится методом экструзии с использованием различных химических добавок, поэтому нельзя безоговорочно назвать материал абсолютно экологически чистым.
Технические и эксплуатационные характеристики «Пеноплэкса» наглядно показывают, что он на сегодняшний день является одним из самых эффективных теплоизолирующих материалов. и параметры этого утеплителя следует рассмотреть пристальнее.
Что такое «Пеноплэкс«?
Содержание статьи
«Пеноплэкс« — это, по сути, экструдированный пенополистирол, который является улучшенной формой давно всем известного пенопласта.

Экструзионная линия по производству утеплителя
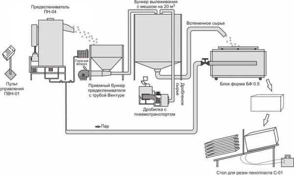
Первая установка для изготовления этого материала появилась более полувека назад в США. Производственный процесс проходит следующим образом: гранулы полистирола отправляются в специальную камеру, где в процессе изготовления рабочего состава они расплавляются и вспениваются с применением порофоров под воздействием высоких температур. В результате получается пышная густая пена, похожая на взбитые сливки, которая выдавливается ровным слоем установленной толщины из дюз экструдера, а затем поступает на транспортерную ленту и разрезается на отдельные панели. Весь процесс происходит в закрытом режиме, и увидеть можно только готовую продукцию.
Вспенивание полистирола происходит с помощью добавления в него порофоров — химических соединений, при нагреве которых происходит активное выделение газообразных продуктов – углекислого газа, азота и других, которые и вспенивают полистирольную массу. В состав композиции порофоров для изготовления экструдированного пенополистирола могут входить следующие вещества:
| Название компонентов | Количество в частях (по массе) |
|---|---|
| Полистирол, содержащий 3,5 ÷ 7% пентана или изопентана или их смеси | 100 |
| Перлит молотый | 1 |
| Бикарбонат натрия | 1 |
| Лимонная кислота | 0.8 |
| Стеарат цинка или бария | 0.2 |
| Тетрабромпараксилол | 1.2 |
Приготовление композиции и ее формовка происходят при температуре в 130—140 °C со скоростью до 60 кг/ч. Таким способом производится не только «Пеноплэкс», но и «Техноплекс», «Экстрол» и другие отечественные и импортируемые утеплители.
В виде добавок к таким материалам используются светостабилизирующие вещества, антиоксиданты, антипирены, модификаторы, антистатики и другие компоненты.
- Антиоксиданты добавляют в процессе экструзии – они предотвращают термоокисление при переработке и быструю деструкцию при хранении и эксплуатации утеплителя.
- Антипирены снижают горючесть материала или делают его совсем негорючим.
- Другие добавки защищают материал от агрессивного воздействия внешней среды.

Пористая структура «Пеноплэкса»
При застывании экструдированного пенополистирола внутри него сохраняется воздушная прослойка, равномерно распределенная по всей структуре материала. Поэтому готовый утеплитель имеет однородное пористое строение с мелкими ячейками размером от 0,1 до 0,3 мм, наполненными воздухом (газом). Каждая из них изолирована от другой, что и обеспечивает высочайшие показатели термического сопротивления и прочности материала.
Возможно, вас заинтересует информация о том, как выполняется утепление стен внутри дома минватой
Технические и эксплуатационные характеристики «Пеноплэкса»
Основные характеристики материала показаны в таблице:
| Физико-механические свойства | Технические нормы | Единица измерения | Тип 31 | Тип 31С | Тип35 | Тип 45С | Тип 45 |
|---|---|---|---|---|---|---|---|
| Плотность | ГОСТ 17177-94 | кг/м3 | от 28 до 32 | от 28 до 32 | от 28 до 38 | от 35 до 40 | от 40,1 до 47 |
| Прочность на сжатие 10% линейной деформации, не менее | ГОСТ 17177-94 | МПа (кгс/см2) | 0,20 (2) | 0,20 (2) | 0,25 (2,5) | 0,41 (4,1) | 0,5 (5) |
| Модуль упругости | СОЮЗ ДОРНИИ | МПа | — | — | 15 | 18 | 18 |
| Предел прочности при статистическом изгибе | ГОСТ 17177-94 | МПа | 0.25 | 0.25 | 0,4-0,7 | 0,4-0,7 | 0,4-0,7 |
| Водопоглощение за 24 ч. не более | ГОСТ 17177-94 | % по объему | 0.4 | 0.4 | 0.4 | 0.4 | 0.2 |
| Категория стойкости к огню | СНиП 21-01-97 | группа | Г1 | Г4 | Г1 | Г4 | Г4 |
| Коэффициент теплопроводности при (25±5) °С | ГОСТ 7076-99 | Вт/м²×оС | 0.03 | 0.03 | 0.03 | 0.03 | 0.03 |
| Коэффициент паропроницаемости | ГОСТ 25898-83 | мг/м×ч×Па | 0.008 | 0.008 | 0.007 | 0.007 | 0.007 |
| Стандартные размеры | |||||||
| Ширина | ТУ 5767 — 006 — 56925804 — 2007 | мм | 600 | ||||
| Длина | 1200 | 1200 | 1200 | 2400 | 2400 | ||
| Толщина | 30, 40, 50, 60, 80, 100 | 30, 40, 50, 60, 80,100 | 20, 30, 40, 50, 60, 80, 100 | 40, 50, 60, 80,100 | 40, 50, 60, 80,100 | ||
| Звукоизоляция перегородки (ГКЛ-Пеноплекс (50мм)-ГКЛ) R w | ГОСТ 27296-87 | дБ | 41 | 41 | 41 | — | — |
| Индекс улучшения изоляции структурного шума при толщине плит 20-30мм в конструкции пола | ГОСТ 16297-80 | дБ | 23 | 23 | 23 | — | — |
| Температурный диапазон эксплуатации | ТУ | оС | От — 50 до + 75 | ||||
| Долговечность | НИИСФ г. Москва протокол испытаний № 132-1 от 29.10.01 | лет | Производитель гарантирует 50 лет | ||||
Как видно, производится несколько разновидностей «Пеноплэкса«, которые рассчитаны на определенную область применения. Поэтому плиты материала имеют розничную плотность и определённый диапазон стандартных размеров. Утеплитель прост в монтаже, легок , прекрасно режется в необходимый размер. Все это позволяет производить процесс термоизоляции элементов здания самостоятельно.

Плиты «Пеноплэкса» очень удобны в монтаже
В таблице даны «сухие цифры», но стоит каждый из параметров рассмотреть более подробно.
- Коэффициент теплопроводности
«Пеноплэкс« имеет низкую теплопроводность: этот параметр – один из самых низких среди всех современных утеплителей, порядка 0,03. Теплопроводность материала остается практически неизменной при перепадах влажности или температуры окружающей среды (колебания не превышают 0,001 ÷ 0,003 Вт/м²×°С). Поэтому «Пеноплэкс» подходит как для наружной, так и для внутренней термоизоляции — им производят утепление крыши и перекрытий, подвальных помещений и фундаментов, причем он не требует дополнительной внешней защиты влагостойкими материалами.
- Гигроскопичность
Если утеплитель чрезмерно гигроскопичен, то есть активно впитывает влагу, он теряет не только большую часть своих теплоизолирующих свойств, но и становится менее прочным. Поэтому этот параметр особенно важен для материалов, предназначенных для утепления. и на это нужно обратить особое внимание при покупке. Впрочем, при покупке качественного «Пеноплэкса» за этот параметр беспокоиться не надо.
Чтобы убедиться в надежности «Пеноплэкса« в этом отношении, были проведены многочисленные испытания, во время которых плита полностью погружалась в воду на месяц. В результате выяснилось, что плита впитала влагу всего на 0,6% от общего своего объема. Причем процесс впитывания проходил только на протяжении первых 10 дней после погружения, и влага проникла только во внешний слой утеплителя, который был поврежден надрезом. Внутренняя же его часть осталась абсолютно сухой. Этот фактор говорит о надежности утепления с помощью «Пеноплэкса« любой части строения.
- Паропроницаемость
Такой вид пенополистирола, как «Пеноплэкс«, отлично противостоит испарениям. Плита, имеющая толщину в 20 мм, имеет паропроницаемость, сопоставимую со слоем рубероида. Поэтому, используя этот утеплительный материал, не требуется дополнительной пароизоляции, что значительно сокращает затраты на утепление фундамента экструдированным пенополистиролом всего дома или отдельной его части. Впрочем, в ряде случаев низкая паропроницаемость будет, скорее, недостатком – «Пеноплэкс» не позволит обеспечить естественный парообмен, то есть стена не будет «дышать».
- Стойкость на сжатие
Благодаря технологии производства методом экструзии, «Пеноплэкс« имеет однородную структуру, а равномерность распределения мельчайших ячеек увеличивает прочность и надежность материала. Он способен выдерживать большие нагрузки, поэтому отлично подходит для утепления не только стен и потолков, но и полов. При больших нагрузках остаются лишь незначительные поверхностные изменения в виде вмятин, глубина которых может составлять всего 0,5 ÷ 1 мм.
- Экологичность
Согласно технологическим стандартам, «Пеноплэкс» задуман, как экологически чистый материал. Однако, не все производители придерживаются этих требований, включая в состав небезопасные для человеческого организма компоненты. Поэтому некачественные изделия со временем начинают выделять вещества, стимулирующие развитие некоторых заболеваний. Многое зависит и от монтажа материала на стены — отступление от технологии может сделать «Пеноплэкс» источником опасности для здоровья человека.

Некоторые типы экструзированного пенополистирола назвать абсолютно негорючими нельзя
Качественный материал должен быть самозатухающим, то есть распространять пламя даже при воздействии на него открытым огнем. К сожалению, не все материалы ведут себя таким образом — некоторые из них не только горят, но и плавятся, превращаясь в горящую текущую массу, к тому же выделяющую большое количество едкого и крайне токсичного обжигающего дыма.
По внешнему виду сложно определить качество продукции, поэтому перед тем, как приобретать большую партию материала, стоит купить одну плиту и провести над ней различные эксперименты на открытом воздухе. Убедившись, что утеплитель соответствует всем присвоенным ему характеристикам, можно покупать требуемое количество панелей.
Кроме этого, нужно сказать, что на рынке – изобилие низкопробных подделок, изготовленных с нарушением технологического процесса. Этот материал – особенно опасен, так как неизвестно, как он может себя повести при чрезвычайных обстоятельствах.
- Срок эксплуатации
Так как утеплитель используется и для наружного утепления, при испытаниях его подвергают многократному замораживанию и оттаиванию — эти процедуры говорят о количестве циклов использования материала в условиях больших перепадов температур. Опыты проводятся до тех пор, пока на материале не появятся повреждения от внешнего воздействия. Именно количество выдержанных циклов и определяет срок службы утеплителя.
Опыты, проведенные в НИИСФ, показали, что «Пеноплэкс» способен прослужить, не теряя своих первоначальных качеств, около 50-ти лет. Обычно такая гарантия дается с запасом, а это значит, что указанный срок эксплуатации – не предел.
В процессе испытаний материал подвергается не только перепадам температур, но и всевозможным атмосферным воздействиям, таким как повышенная влажность, ультрафиолетовые лучи, сильная ветровая нагрузка.
Опять же, нужно напомнить о добросовестности производителя – материал будет эксплуатироваться без проблем указанный срок, если будут соблюдены все установленные правила его изготовления.
- Стойкость утеплителя к химическому воздействию
Применяя «Пеноплэкс» в строительстве, нужно знать, какие вещества способны разрушить утеплитель, а какие — отлично с ним гармонируют. В основном минеральные химические составы, которые используются в строительной практике, не вредны для данного материала, но некоторые органические вещества вызывают его размягчение или плавление.
Чтобы не столкнуться с подобными неприятностями во время работы, лучше подготовиться заранее и исключить вещества, содержащие такие компоненты, из процесса утепления.
К веществам, несовместимым с «Пеноплэксом» относят:
- Сложные и простые эфиры: этилацетатные и метилацетатные растворители и диэтиловый эфир.
- Толуол, бензол, ксилол и подобные им углеводороды.
- Формальдегид и формалин.
- Дизтопливо, керосин, бензин.
- Кетоны — ацетон, метилэтилкетон.
- Каменноугольный деготь.
- Масляные краски.
- Сложные полиэфиры, которые используют, как отвердители эпоксидной смолы.
Стоит перечислить и те составы, которые не навредят «Пеноплэксу»:
- Различные спирты и вещества на их основе, в том числе и краски.
- Все виды кислот (неорганические и органические).
- Хлорная известь.
- Солевые растворы.
- Вода и краски на ее основе.
- Щелочи.
- Аммиак, пропан, бутан.
- Фреоны.
- Двуокись углерода и кислород.
- Растворы на основе цемента.
- Растительные и животные масла, а также парафины.
Кроме того, можно отметить, что «Пеноплэкс» имеет высокую биостойкость – он не подвержен гниению и разложению.
Маркировка «Пеноплэкса»
Этот вид утеплителя применяется для теплоизоляции разных элементов жилых и промышленных зданий. Как говорилось выше, «Пеноплэкс» разнится по своим техническим характеристикам в зависимости от его эксплуатационного назначения — по горючести, прочности и толщине. Некоторые марки материала используются даже для утепления взлетных полос на аэродромах, а также с его помощью проводится теплоизоляция для труб.
Ранее в маркировке на первом месте стояла буква, а затем шли цифры, например, М35 и М45. Современное обозначение – как указано в представленной выше таблице, то есть 31,31С, 35, 45 и 45С.
- «Пеноплэкс» 31 имеет достаточно невысокие показатели прочности на сжатие, поэтому его не используют на участках, где предполагается высокая нагрузка. Чаще всего его применяют для утепления емкостей и различных трубопроводов.
- Материал, имеющий маркировку 31С, тоже не отличается высокой прочностью и предназначен для утепления внутренних стен. Его отличие от 31 заключается в более высокой степени горючести материала.
- «Пеноплэкс» 35 имеет достаточно высокую прочность и хорошие теплоизолирующие качества, поэтому считается универсальным. Им утепляют стены, фундаменты, полы и трубы.
- «Пеноплэкс» 45 используется для утепления взлетных полос, обустройства дорожного покрытия, теплоизоляции глубоких фундаментов, полов в производственных цехах и других помещениях с большой динамической нагрузкой. Плотность этого материала позволяет выдерживать повышенные нагрузки, а его водостойкость не дает покрытиям деформироваться при перепадах температур.
- 45С имеет приближенные к «Пеноплэкс»—45 характеристики по прочности и теплоизоляции, но утеплитель с этой маркировкой обычно выбирают для закрепления на стенах промышленных помещений с большими объемами.
Наряду с цифровой маркировкой, существует еще одна линейка, в которой характеристики «Пеноплэкса» максимально приближены к его эксплуатационному назначению.
| Размеры в мм | Тип (плотность) | |||
|---|---|---|---|---|
| «ПЕНОПЛЭКС» 45 (35-47 кг/м³) | «ПЕНОПЛЭКС» Ф (29-33 кг/м³) | «ПЕНОПЛЭКС» К (28-33 кг/м³) | «ПЕНОПЛЭКС» С (25-32 кг/м³) | |
| Ширина | 600 | 600 | 600 | 600 |
| Длина | 2400 | 1200 | 1200 | 1200 |
| Толщина | 40, 50, 60, 80, 100 | 20; 30; 40; 50; 60; 80; 100 | 20, 30, 40, 50, 60, 80, 100 | 20; 30; 40; 50; 60; 80; 100 |
Иногда маркировка осуществляется несколько иначе, и в ней гораздо проще разобраться.
- «Пеноплэкс – Стена» имеет плотность в пределах 25 ÷ 32 кг/м³ и предназначается для закрепления на наружных и внутренних стенах, а также для утепления перегородок и цоколей, что повышает энергосбережение и качество звукоизоляции строения.

«Пеноплэкс» для утепления стен
Если утепление проводится снаружи здания, то после закрепления утеплителя и заделки швов между плитами, поверх «Пеноплэкса» рекомендовано нанести штукатурку или облицевать его одним из фасадных материалов, такими, как вагонка, сайдинг или декоративная плитка.
- «Пеноплэкс – Фундамент» имеет плотность 29 ÷ 33 кг/м³ и применяется для утепления фундаментов и поверхностей в подвальных помещениях. Материал достаточно плотнен и водостоек, так как рассчитан на утепление именно этих элементов зданий. Применяют его также для термоизоляции септиков, которые имеют не слишком большое заглубление, и есть риск их промерзания.

Утепление фундамента
- «Пеноплэкс – Кровля» производится для утепления стропильных, или плоских крыш. Кроме этого, он подходит и для изоляции чердачного перекрытия. Плотность этой марки материала составляет 28 ÷ 33 кг/м³, поэтому он достаточно легкий и не даст большой нагрузки на стропильную систему.

Утепление скатов кровли
- «Пеноплэкс – Комфорт» имеет плотность в 25 ÷ 35 кг/м³ и применяется для утепления стен квартир, балконов и лоджий, а также поверхностей в частных домах и таких помещений с повышенной влажностью, как бани и сауны. Плотность материала невелика, но ее вполне достаточно для жилых строений, так как он не будет подвергаться большим нагрузкам.

Утепление стен на балконе
- «Пеноплэкс – 45» имеет плотность в 35 ÷ 47 кг/м3 и его предназначение уже рассматривалось выше. Но кроме этого его применяют для утепления полов гаражей и плоских крыш, на которых организуются спортивные площадки и даже парковки.
Основы технологии утепления «Пеноплэксом»
Чтобы утеплитель в полной мере справлялся с возложенными на него задачами, необходимо соблюдать технологию его монтажа на те или иные элементы строения.
Утепление стен снаружи
От правильного монтажа «Пеноплэкса» на стены снаружи будет зависеть не только сохранение тепла в помещениях дома, но и здоровье его жильцов. К сожалению, в нарушение технологии для экономии средств многие строители закрепляют утеплитель только на специальные крепления — дюбели с широкими шляпками, которые называют «грибками». Такой монтаж не только не утеплит стены, но и будет способствовать возникновению внутри жилья плесени или колоний грибка, которые способны разрастаться и проникать внутрь стенового материала. Это происходит оттого, что из-за неплотного прилегания утеплительного материала к стене сдвигается точка росы. Поэтому, если уже принято решение произвести утепление, то стоит сделать это по всем правилам.

Утепление фасадных стен должно вестись в строгом соответствии с технологией!
- Первое, с чего нужно начать работу — это с подготовки поверхностей под монтаж «Пеноплэкса». Стену нужно очистить от старой штукатурки, грязи и пыли. Затем ее загрунтовывают противогрибковыми растворами.
Если после очистки поверхностей обнаружатся очевидные деформации или неровности, то их необходимо выровнять слоем штукатурки, иначе плиты будут неплотно прилегать к стене. После того как стена будет выровнена и просушена, ее следует еще раз загрунтовать.
- «Пеноплэкс» начинают устанавливать с нижней части стены, и для того, чтобы первый ряд встал идеально ровно, по отбитой линии закрепляется Г-образный стартовый профиль, на который аккуратно встанут плиты утеплительного материала.

Стартовый профиль для облегчения монтажа первого ряда плит
- Далее, идет монтаж первого ряда материала на стену. Плиты закрепляются на поверхность с помощью специальных клеевых растворов, которые наносятся непосредственно на плиту. После этого она хорошо прижимается к стене.

Примерная схема расположения плит на стене
Монтаж «Пеноплэкса» производится по схеме кирпичной кладки, причем между плитами не должно оставаться зазоров. Если все-таки они остались, их обязательно нужно заполнить монтажной пеной после высыхания основного клея.
- Далее, после того как плиты будут приклеены, их необходимо зафиксировать пластиковыми дюбелями—«грибками». Для этого в стене прямо через утеплитель просверливаются отверстия, в которые устанавливается часть дюбеля со шляпкой , затем в нее вбивается пластиковый гвоздь. Таких креплений потребуется 5 ÷ 6 штук на м², при необходимости их количество можно увеличить. Шляпки креплений должны находиться на одном уровне с поверхностью утеплителя, то есть вжаты в нее на толщину шляпки.

Механическое крепление плиты утеплителя к стене
- После этого рекомендовано укрепить углы перфорированными металлическими уголками. Это нужно сделать потому, что материал на угловых частях дома повреждается в первую очередь.
- Далее, идет этап армирования поверхности. Для того чтобы штукатурный раствор имел хорошее сцепление с плитами утеплителя, по ним нужно пройтись наждачной бумагой с крупным зерном.
Затем на поверхность с верхней части стены наносится штукатурно-клеевой состав на цементной основе, на который закрепляется армирующая стекловолоконная сетка. Она хорошо разравнивается и утапливается в первый наносимый на плиты слой.

Армирование стены поверх «Пеноплэкса»
- Первый слой с арматурной сеткой должен хорошо просохнуть и только после этого наносится второй выравнивающий штукатурный слой. Он хорошо выравнивается, и если его планируется покрыть краской, доводится до гладкого состояния шпаклевочными составами.
Если на поверхность будет наноситься рельефная штукатурка или укладываться декоративная плитка, то идеальная гладкость поверхности не нужна – достаточно качественного выравнивания.
Утепление стен балкона или лоджии
Утепление внутренних стен, а также утепление пола на лоджии или балконе производится таким же образом, как и наружных, а вот балконные поверхности при утеплении имеют свои особенности.
Стыки приклеенного и зафиксированного утеплителя необходимо закрыть фольгированным скотчем или пройтись по ним монтажной пеной.

Процесс утепления балкона
Далее, когда не останется мостиков холода, можно сверху закрепить еще один слой фольгированного утеплителя и закрыть стены вагонкой или гипсокартоном. Другой вариант — прямо сверху «Пеноплэкса» нанести отделочную штукатурку.
Возможно, вас заинтересует информация о том, как произвести утепление кирпичного дома снаружи минватой под сайдинг
Видео — Пример утепления балкона «Пеноплэксом»
Теплоизоляция кровли
Процесс утепления кровли происходит на этапе строительства или при проведении реконструкции.

Схема утепления кровельной конструкции крыши
1 – Дощатая обшивка.
2 – Обрешетка.
3 – Пароизоляционная мембрана.
4 – «Пеноплэкс».
5 – Стропильная нога.
6 – Ветрозащитная пленка.
7 – Контробрешетка.
8 – Кровельное покрытие.
В представленном варианте весь «пирог» укладывается на дощатую обшивку, закрепленную со стороны чердачного помещения, на которую уложена пароизоляционная мембрана.
- Между стропильных ног монтируется «Пеноплэкс». Если между этими элементами остаются зазоры, то их необходимо заполнить монтажной пеной.
- Затем утеплительный слой закрывается ветрозащитной пленкой.
- Сверху стропил закрепляется контробрешетка, на которую настилается кровельный материал.
При утеплении чердачного перекрытия «Пеноплэкс» укладывают между балок на дощатую обшивку, подшитую со стороны помещений дома. «Пирог» составляется по тому же принципу, что и кровельное утепление, то есть пароизоляция, «Пеноплэкс», гидроизоляционная пленка, дощатый настил чердачного пола.
Теплоизоляция бетонного пола
В силу высокой плотности, этот утеплитель может быть наклеен на бетонную поверхность пола в квартире, например, под ламинат или паркетную доску.
На очищенный и загрунтованный пол наносится клеевая масса, на которую приклеиваются плиты «Пеноплэкса», имеющие крепежные пазы и шипы. Этот метод поможет не только утеплить, но и звукоизолировать комнату, а также выровнять поверхность пола.

Укладка плит «Пеноплэкса» на пол
Другим вариантом утепления пола «Пеноплэксом» может стать его монтаж между лаг, закрепленных на пол. Так производят теплоизоляцию в том случае, когда планируется сверху него настилать дощатый пол. подобный способ обычно применяют в частном доме, так как в квартире высота потолков ограничена 2700 мм, а слой утепления пола сократит этот параметр еще на 80 ÷ 100 мм.
Возможно, вас заинтересует информация о том, как выбрать утеплитель для стен внутри дома на даче
Отечественные аналоги материала
Если «Пеноплэкс» — это патентованная марка утеплителя, то другие аналоги такого материала разработаны российскими технологами на основе существующих составов.
«Техноплекс»
Этот отечественный утеплитель предназначен для монтажа на любых поверхностях частного дома, а также хорошо подходит под систему «теплый пол». Производится «Техноплекс» по нанотехнологии, с использованием графита, который способен снизить теплопроводность утеплителя и повысить прочность плит.

Упаковка «Техноплекса»
Этот материал, в отличие от «Пеноплэкса», имеет серо-серебристый цвет, но соответствует всем необходимым требованиям, предъявляемым к первому.
«Техноплекс» производится в виде плит, имеющих толщину в 100,50,40,30 и 20 мм. Плиты имеют стыковые пазы и шипы, которые позволяют собрать их в единое покрытие, не имеющее зазоров — это позволяет избежать образования мостиков холода.
После монтажа «Техноплекса» на утепляемой поверхности, его следует обязательно закрыть декоративным материалом, так как ультрафиолетовые лучи для него действуют достаточно губительно.
«Полиспен»
Еще одним аналогом «Пеноплэкса» является утеплитель отечественного производства «Полиспен». Выпускается этот материал в трех вариантах, которые отличаются техническими характеристиками — коэффициентом теплопроводности, прочностью на сжатие и горючестью:
— «Полиспен 45»
— «Полиспен 35»
— «Полиспен Стандарт»
Цифры, входящие в маркировку, определяют плотность утеплителя — это 45 кг/м³ и 35 кг/м³.

Достойным конкурентом «Пеноплэксу» считается и «Полиспен»
В комплекс ингредиентов, входящих в состав материала, включены антипирены, значительно снижающие горючесть утеплителя.
— «Полиспен 35» применяется для утепления и звукоизоляции несущих стен здания, а также для внутренних перегородок.
— «Полиспен 45» подходит для теплоизоляции полов в доме или гараже, а также для дорожных покрытий, на которые выпадает большие нагрузки – его плотность позволяет их беспроблемно выдержать.
— «Полиспен Стандарт» отлично подходит для утепления помещений, где особо необходимо такое качество, как пониженная горючесть — это система «теплый пол», полы гаража, чердачные перекрытия.
Плиты производятся толщиной в 100, 80, 60, 50, 40, 30 и 20 мм, поэтому из них можно подобрать тот вариант, который подойдет для конкретного участка утепления.
Российские аналоги зарекомендовали себя наилучшим образом и прекрасно заменяют «Пеноплэкс».
В заключении, хотелось бы сказать, что лучше приобретать теплоизолирующий материал в специализированных магазинах, способных предъявить на реализуемую продукция сертификат качества. Покупая его на «диких» рынках, можно легко нарваться на подделку. Поэтому не стоит рисковать, так как, сэкономив копейки, можно впоследствии поплатиться собственным здоровьем. И еще — где бы ни приобретался материал, рекомендовано сначала провести тест на качество, купив одну плиту. При контакте с открытым огнем качественный утеплитель не должен воспламеняться и давать большого количества дыма — он может плавиться и самостоятельно затухать.
Видео — Проведение тестирования «Пеноплекса» на прочность и пожаробезопасность
otoplenie-expert.com
Утеплитель пеноплекс: технические характеристики, свойства
Предисловие. Утеплители пеноплекс представляют собой экструдированный пенополистирол, который принадлежит новой, весьма эффективной формации теплоизоляторов. В статье мы рассмотрим плиты пеноплекса с точки зрения их свойств и технических характеристик. Рассмотрим плюсы и минусы использования экструдированного пенополистирола в области утепления различных конструкций.
Обзор утеплителей
Свойства Rockwool Лайт Баттс
Минвата Изовер: характеристики
Утеплители Кнауф: характеристики
Свойства минваты Ursa PureOne
Применение ТехноНИКОЛЬ
Производство пеноплекса, структура материала

Плиты пеноплэкса для утепления
Отметим для начала, что материал прочен, отличие от пенопласта, почти не впитывает воду и обладает наиболее низким коэффициентом теплопроводности. Первая экструзионная заработала более полувека назад в Америке. В процессе производства полистирол подвергается высокому давлению и температуры. Катализатором служит смесь из двуокиси углерода и фреона.
Полученная масса, напоминающая взбитые сливки, выдавливается наружу из экструзионной установки. Фреон улетучивается из пеноплекса, а в ячейки на его место поступает воздух. Благодаря экструзии материал имеет мелкопористую структуру. Размер ячеек с воздухом составляет от 0,1 до 0,2 миллиметра, внутри они расположены равномерно, что делает материал крепким и теплым.
Основные свойства экструдированного пенополистирола

Экструдированный пенополистирол на увеличении
Впитывание воды экструдированным пенополистиролом минимально, что является важной характеристикой. Для испытаний плиты пеноплекса погружали в воду на месяц, вода впитывалась первые 10 дней в небольшом количестве. В конце испытательного срока количество воды в пенополистироле не превышало 0,6 процентов от общего объема утеплителя.
Коэффициент теплопроводности пеноплекса, по сравнению с другими теплоизоляторами значительно ниже, до 0,03 ВТ*м*0С. Материал не впитывает практически воду, поэтому его можно использовать для утепления ленточных фундаментов и подвалов, там, где большая влажность. При этом теплопроводность неизменна, лишь колебается от 0,001 до 0,003 ВТ*м*0С.
Паропроницаемость пеноплекса достаточно низкая, материал отличается повышенной сопротивляемостью к испарениям влаги, как и любой пенополистирол. Слой экструдированного пенополистирола толщиной в 2 сантиметра имеет паропроницаемость, сравнимую с пенофолом или рубероидом. Плиты могут прослужить в качестве теплоизоляции свыше лет 50, не теряя первоначальных свойств.
Прочность пеноплекса достигается однородностью структуры. Равномерно распределенные ячейки улучшают прочностные характеристики утеплителя. Он не меняет размеры при больших нагрузках, но легко разрезается обычным ножиком при монтаже. Плитами можно быстро обшить фасад дома под сайдинг, не применяя особых усилий, материал не нуждается в защите от дождя и непогоды.
Экологичность
Пеноплекс Стена для утепления фасадов домов
Это название является новым, ранее этот тип назывался ПЕНОПЛЭКС 31 с антипиренами. Суть от этого не изменилась, а цоколи домов, внутренние перегородки, фасады, внутренние и внешние стены этим материалом утеплять хорошо. ПЕНОПЛЭКС СТЕНА® просто монтируется, может применяться при создании мокрых оштукатуренных фасадов. Характеристики Пеноплекс Стена смотрите в таблице:
Параметры и свойства Пеноплекс Стена
Описание и свойства Пеноплекс Фундамент
Как ясно из названия, утеплитель ПЕНОПЛЭКС ФУНДАМЕНТ (ранее называемый ПЕНОПЛЭКС 35 без антипирена) подойдет для обработки фундаментов, цоколей, отмосток, а также оборудования подвала. Плиты прочны и способны противостоять нагрузкам. Защита от влаги и обеспечение отвода грунтовых вод от дома – неоспоримые плюсы этого материала. Характеристики Пеноплэкс Фундамент смотрите в таблице:
Параметры и свойства Пеноплекс Фундамент
Пеноплекс Кровля для утепления плоских крыш
Пеноплекс Кровля раньше назывался ПЕНОПЛЭКС 35. Этими плитами можно изолировать скатную и плоскую кровлю любого типа. Сегодня в строительстве важно сделать кровлю достаточно прочной и простой при дальнейшем использовании. Такая задача стоит и при ремонте плоской кровли гаража снаружи, для таких случаев у фирмы имеется огнестойкий плитный материал из серии «PROOF».
Сегодня очень популярны кровли инверсионного типа. В городах свободного места не много, а такая кровля дома позволяет с успехом использовать площадь для устройства зеленой площадки, посадив деревья и цветы или разместить автостоянку. ПЕНОПЛЭКС® способен выдержать такие большие нагрузки, поэтому его с успехом применяют для этих нужд. Характеристики Пеноплэкс Кровля смотрите в таблице:
Параметры и свойства Пеноплекс Кровля
Пеноплекс Комфорт для загородных домов и саун
Материал, ранее называемый ПЕНОПЛЭКС 31С универсален. Он подходит для загородных коттеджей, садовых домиков и дач. Для теплоизоляции частного дома утеплитель просто идеален. Им можно быстро и с минимальными затратами утеплять пол снизу, фундамент, подвал, цоколь, кровлю или стены. ПЕНОПЛЭКС® КОМФОРТ хорошо выдерживает влажность и является универсальным утеплителем данной марки.
Пеноплекс предохраняет грунт от вспучивания в результате промерзания. Если грунт утеплить экструдированным пенополистиролом, то земля промерзнет намного меньше. Поэтому пеноплекс применяется для теплоизоляции автодорог, железнодорожных полотен и взлетных полос. Плиты данной марки не меняют своих свойств в течение всего срока службы. Характеристики Пеноплэкс Комфорт в таблице:
Параметры и свойства Пеноплекс Комфорт
Видео: Характеристики пеноплекса
Теплопроводность и плотность пеноплэкса, сравнение с пенополистиролом ПСБ
Представлена сравнительная таблица значений коэффициента теплопроводности, плотности пеноплэкса и пенополистирола ПСБ различных марок в сухом состоянии при температуре 20…30°С. Указан также диапазон их рабочей температуры.
Теплоизоляцию пеноплэкс, в отличие от беспрессового пенополистирола ПСБ, производят при повышенных температуре и давлении с добавлением пенообразователя и выдавливают через экструдер. Такая технология производства обеспечивает пеноплэксу закрытую микропористую структуру.
Пеноплэкс, по сравнению с пенополистиролом ПСБ, обладает более низким значением коэффициента теплопроводности λ, который составляет 0,03…0,036 Вт/(м·град). Теплопроводность пеноплэкса приблизительно на 30% ниже этого показателя у такого традиционного утеплителя, как минеральная вата. Следует отметить, что коэффициент теплопроводности пенополистирола ПСБ в зависимости от марки находится в пределах 0,037…0,043 Вт/(м·град).
Плотность пеноплэкса ρ по данным производителя находится в диапазоне
Максимальная температура применения пенополистирола пеноплэкс составляет 75°С. У пенопласта ПСБ она несколько выше и может достигать 80°С. При нагревании выше 75°С пеноплэкс не плавится, однако ухудшаются его прочностные характеристики. Насколько при таких условиях увеличивается коэффициент теплопроводности этого теплоизоляционного материала, производителем не сообщается.
| Марка пенополистирола | λ, Вт/(м·К) | ρ, кг/м3 | tраб, °С |
|---|---|---|---|
| Пеноплэкс | |||
| Плиты Пеноплэкс комфорт | 0,03 | 25…35 | -100…+75 |
| Пеноплэкс Фундамент | 0,03 | 29…33 | -100…+75 |
| Пеноплэкс Кровля | 0,03 | 26…34 | -100…+75 |
| Сегменты Пеноплэкс марки 35 | 0,03 | 33…38 | -60…+75 |
| Сегменты Пеноплэкс марки 45 | 0,03 | 38…45 | -60…+75 |
| Пеноплэкс Блок | 0,036 | от 25 | -100…+75 |
| Пеноплэкс 45 | 0,03 | 40…47 | -100…+75 |
| Пеноплэкс Уклон | 0,03 | от 22 | -100…+75 |
| Пеноплэкс Фасад | 0,03 | 25…33 | -100…+75 |
| Пеноплэкс Стена | 0,03 | 25…32 | -70…+75 |
| Пеноплэкс Гео | 0,03 | 28…36 | -100…+75 |
| Пеноплэкс Основа | 0,03 | от 22 | -100…+75 |
| Пенополистирол ПСБ (пенопласт) | |||
| ПСБ-15 | 0,042…0,043 | до 15 | до 80 |
| ПСБ-25 | 0,039…0,041 | 15…25 | до 80 |
| ПСБ-35 | 0,037…0,038 | 25…35 | до 80 |
| ПСБ-50 | 0,04…0,041 | 35…50 | до 80 |
Следует отметить, что теплоизоляция пеноплэкс благодаря своей закрытой микропористой структуре практически не впитывает влагу, не подвергается воздействию плесени, грибков и других микроорганизмов, является экологичным и безопасным для человека утеплителем.
Кроме того, экструдированный пенополистирол пеноплэкс обладает достаточно высокой химической стойкостью ко многим используемым в строительстве материалам. Однако некоторые органические вещества и растворители, приведенные в таблице ниже, могут привести к размягчению, усадке и даже растворению теплоизоляционных плит.
| Высокая хим. стойкость | Низкая хим. стойкость |
|---|---|
| Кислоты (органические и неорганические) | Ароматические углеводороды (бензол, толуол, ксилол) |
| Растворы солей | Альдегиды (формальдегид, формалин) |
| Едкие щелочи | Кетоны (ацетон, метилэтилкетон) |
| Хлорная известь | Эфиры (диэтиловый эфир, этилацетат, метилацетат) |
| Спирт и спиртовые красители | Бензин, керосин, дизельное топливо |
| Вода и краски на водной основе | Каменноугольная смола |
| Аммиак, фреоны, парафины, масла | Полиэфирные смолы (отвердители эпоксидных смол) |
| Цементы, строительные растворы и бетоны | Масляные краски |
Источники:
- ООО «Пеноплэкс СПб».
- ГОСТ 15588-86 Плиты пенополистирольные. Технические условия.
thermalinfo.ru
Технические характеристики пеноплекса — Комфорт, Фундамент, Кровля и Стена, толщина и цена утеплителя
Пеноплекс – это строительный теплоизолирующий материал в виде плит экструдированного вспененного полистирола, востребованного по причине легкости, прочности и долговечности. По структуре, он похож на привычный пенопласт, но отличается большей плотностью.

Едва различимые поры утеплителя размером от 0,1 до 1 мм – результат новых технологий изготовления. По внешнему виду, плиты состоят из однородного материала, который на самом деле является мелкопористым с изолированными ячейками, обеспечивающими низкую теплопроводность и водонепроницаемость.
Разнообразие марок и усиленная прочность позволяют применять его для изоляции пола, кровли, фундамента.
Виды, технические характеристики и назначение
С 2011 года введена дифференциация изделий в зависимости от назначения и области применения. Это позволяет быстро узнать нужную разновидность утеплителя с набором характеристик для определенного вида работ, способствует максимально эффективному использованию.
Выпускается несколько типов экструдированного полистирола:
СТЕНА, или пеноплекс 31 с антипиренами

Предназначен для утепления поверхностей без динамической или статической нагрузки. Оптимален в изоляции стен фасадов, перегородок, бассейнов, колодцев, тепловых сетей, водопровода.
Характеристики:
| Свойства | Единица | Показатель |
| Теплопроводность, 25°С | Вт/(мК) | 0,03 |
| Плотность | кг/м3 | 25,0–32,0 |
| Прочность | МПа (кгс/см2; т/м2) | 0,20(2,0; 20) |
| Водопроницаемость, 28 суток | % по объему | 0,5 |
| Огнезащита | группа | Г3 |
| Рабочая температура | С° | от -50 до +75 |
ФУНДАМЕНТ, или пеноплекс 35 без антипирена

Плиты рассчитаны на большие нагрузки, отличаются прочностью. Прекрасно подходит к дорожным покрытиям, фундаментам, полу, оборудованию помещений подвалов. Наличие гидроизоляционного барьера позволяет отвести грунтовые воды от подземной части дома.
Характеристики:
| Свойства | Единица | Показатель |
| Теплопроводность, 25°С | Вт/(мК) | 0,03 |
| Плотность | кг/м3 | 29,0–33,0 |
| Прочность | МПа (кгс/см2; т/м2) | 0,27 (2,7; 27) |
| Водопроницаемость, 28 суток | % по объему | 0,5 |
| Огнезащита | группа | Г4 |
| Рабочая температура | С° | от -50 до +75 |
КРОВЛЯ, или пеноплекс 35
Плиты рассчитаны на утепление кровель, чердачных помещений любого типа с учетом климатических осадков, температурных перепадов. В настоящее время, применяется для плоских крыш с размещением на ней зимних садов или автостоянок (инверсионная кровля).
Характеристики:
| Свойства | Единица | Показатель |
| Теплопроводность, 25°С | Вт/(мК) | 0,03 |
| Плотность | кг/м3 | 28,0–33,0 |
| Прочность | МПа (кгс/см2; т/м2) | 0,25 (2,5; 25) |
| Водопроницаемость, 28 суток | % по объему | 0,5 |
| Огнезащита | группа | Г3 |
| Рабочая температура | С° | от -50 до +75 |
КОМФОРТ, или пеноплекс 31С
Универсальные плиты подходят для изоляции лоджий, балконов, стен и пола саун, особняков. Отличается повышенной влагостойкостью, обеспечивает оптимальный микроклимат. Благодаря техническим особенностям, плиты данного типа особенно плотно примыкают друг к другу.
Характеристики:
| Свойства | Единица | Показатель |
| Теплопроводность, 25°С | Вт/(мК) | 0,03 |
| Плотность | кг/м3 | 25,0–35,0 |
| Прочность | МПа (кгс/см2; т/м2) | 0,20 (2,0; 20) |
| Водопроницаемость, 28 суток | % по объему | 0,5 |
| Огнезащита | группа | Г4 |
| Рабочая температура | С° | от -50 до +75 |
Пеноплекс 45

Применяется для теплозащиты взлетных покрытий и автодорог, оберегает от просадки, деформаций, вспучивания полотна. Предназначен для больших нагрузок: может выдержать вес самолета в условиях регионов с низкими температурами. Прочнейший материал сохраняет свойства долгое время.
Характеристики:
| Свойства | Единица | Показатель |
| Теплопроводность, 25°С | Вт/(мК) | 0,03 |
| Плотность | кг/м3 | 35,0–47,0 |
| Прочность | МПа (кгс/см2; т/м2) | 0,50 (5,0; 50) |
| Водопроницаемость, 28 суток | % по объему | 0,4 |
| Огнезащита | группа | Г4 |
| Рабочая температура | С° | от -50 до +75 |
Размеры, толщина и стоимость
Устойчивость теплоизоляционных свойств позволяет применять плиты средней толщины от 35 до 50 мм. Это средний показатель для стандартного решения в умеренном климате.
Увеличенная толщина пеноплекса до 70 мм и более используется в северных районах, где температура часто опускается до -300 С. Такой подход оправдан, тем более что обычная толщина других утеплителей достигает 150 мм.
Размеры плит унифицированы производителем до стандартных 1200 мм в длину и 600 мм в ширину.
В сравнении с другими видами утеплителей, стоимость пеноплекса достаточна высокая: цена 1 кв.м листа в среднем составляет 5 $. Если материал модифицирован с улучшенными качествами, включая добавки антипирена, то цена составит 7-8 $ за 1 кв.м.
Технология производства и область применения
Специфика изготовления пеноплекса направлена на улучшение прочностных технических характеристик материала. Особые свойства ему придает процесс экструзии из сырьевой массы в специальных печах.
Сначала, гранулы полистирола в условиях высокой влажности и температуры смешивают с реагентом для вспенивания. Катализатором выступает состав из двуокиси углерода (СО2) и фреона. Состав из пенополистирола переплавляется в печах и напоминает пышные сливки.
Затем, через экструзионную установку начинается выдавливание вещества, фреон постепенно улетучивается, а ячейки заполняет простой воздух.
Применение пеноплекса в сфере строительства, практически не имеет ограничений и благодаря техническим характеристикам позволяет существенно снизить затраты на другие расходные материалы и энергоресурсы.
В настоящее время, теплоизолятор востребован в разных климатических условиях для утепления и защиты:
- фундаментов и стен малоэтажных зданий;
- балконов и лоджий;
- бассейнов и колодцев;
- перекрытий и подвальных помещений;
- полов и потолков;
- систем водоснабжения;
- взлетных полос аэродромов;
- железных и автомобильных дорог;
Пеноплекс разных категорий широко применяется в процессе реконструкции зданий по причине высокой устойчивости к изменениям внешней среды и химическим воздействиям. Используют материал для изготовления сэндвич-панелей.
Свойства материала

Основные характеристики утеплителя соответствуют требованиям строительных нормативов:
- Низкий коэффициент теплопроводности. Средний уровень соответствует 0,027–0,031 Вт/м. Показатель является лучшим в классе утеплителей. В то же время, его отличие от родственных материалов, например, минваты, не столь значительно. Но сочетание низкой теплопроводности с усиленной плотностью структуры дает заметные преимущества. Важным фактором является неизменность показателя, существенные колебания в различных условиях не фиксируются, поэтому применение пеноплекса допускается без дополнительного влагозащитного слоя как на крышах и чердаках, так и на фундаментах, полах, в подвалах.
- Огнестойкость. Пожаростойкость характеризуется категориями Г3 или Г4, что означает умеренный уровень, превосходящий свойства пенопласта, поддерживающего горение. Для пенопласта приемлемы рабочие температуры от -50° до +70°С. В условиях открытого огня, происходит разрушение материала. Начинается процесс плавления, но не горения. Некоторые виды пеноплекса отличаются усиленной обработкой химическими реагентами для проявления самозатухания. Это улучшенное качество соответствует полной пожаробезопасности при расширенном температурном режиме эксплуатации.
- Влагостойкость. Водопоглощение экструдированного пенополистирола составляет за период в 28 суток 0,4% от объема. Влага попадает только во внешние поры утеплителя, открытые при разрезке и монтаже плит. Закрытые ячейки сохраняются неизменными. Фактически, можно утверждать, что материал не пропускает влагу. Для утепления фасадов и кровель зданий, такие показатели влагостойкости являются очень существенными.
- Высокая упругость на сжатие. Этот показатель равняется 25-35 кг/м3 и является непревзойденным среди пенополистирольных утеплителей. Сопротивление при сжатии достигается за счет равномерного распределения крохотных ячеек с хорошим сцеплением, улучшающих прочностные характеристики материала. Пеноплекс не меняет размеры даже в условиях больших нагрузок. Плиты очень сложно разломать. Повреждениям подвержен только материал небольшой толщины в 20 мм, но по линии разлома нет крошения или дробления в отличие от иных родственных утеплителей.
- Слабая паропроницаемость. Повышенная сопротивляемость отражается в равных показателях пеноплекса высотой 2 см и слоя рубероида.
- Длительный срок эксплуатации. Гарантийный период применения составляет 50 лет с учетом атмосферного воздействия. При благоприятных климатических условиях, плиты прослужат значительно больше с сохранением всех своих характеристик.
- Экологичность. Применение фреона в изготовлении утеплителя абсолютно безвредно: данный тип не горюч, не токсичен, не причиняет разрушения озоновому слою. Экологические свойства взаимосвязаны с биостойкостью утеплителя, отсутствием ядовитых веществ. Материал не подвержен биологическому распаду, поэтому не нуждается в создании особенных условий хранения, плиты могут размещаться на площадках без укрытий от осадков или перепадов температур.
- Доступность в монтаже и обработке. Разрезать плиту можно обычным канцелярским ножом. Небольшой вес позволяет самостоятельно обшивать стены без дополнительных усилий в сооружении специальных каркасов. Материал хорошо держится на клею. Погодные условия не препятствуют монтажу.
- Устойчивость к агрессивным веществам. Большая часть строительных смесей и препаратов не способны повредить пеноплекс, не вступающий с ними в реакцию. К ним относятся органические и неорганические кислоты, щелочи, водные краски, растворы солей, аммиак, цементные или бетонные смеси, спирты и масла, хлорная известь. Экструдированному пенополистиролу практически не свойственна химическая активность. Внимание! Исключением являются эфиры, бензины, формальдегиды, краски на масляной основе.
- Высокая звукоизоляция. В частном домостроении, фактор шумоизоляции очень важен. Пеноплекс решает эту проблему.
Плюсы и минусы
Положительные особенности утеплителя проявляются на всех этапах применения этого материала:
- Легкие плиты просты в подготовке и обработке, не требуют особых знаний и навыков в работе.
- Крепятся разными способами и не требуют дополнительных слоев паро- и гидроизоляции.
- Прекрасные теплоизоляционные качества позволяют экономить на других строительных материалах.
- Долговечность и прочность в любых климатических испытаниях.
- Безопасность и экологичность.
К недостаткам материала нового поколения относят:
- Подверженность атакам грызунов, что свойственно всем видам утеплителей.
- Выделение едкого дыма при разложении под воздействием открытого огня.
- Не выдерживает соединения с керосином, бензином или дизельным топливом.
- Недостаточную звукоизоляцию, по сравнению с предназначенными для этого материалами.
- Высокие цены на различные виды пеноплекса, сравнимые с дорогой минеральной ватой.
househill.ru
Пеноплекс технические характеристики: применения и свойства
Среди обширной линейки теплоизолирующих материалов одно из первых мест занимает пеноплекс. Большинство любителей что-нибудь сделать своими руками, привлекает невысокая цена на плиты этого утеплителя и возможность смонтировать их самостоятельно, не прибегая к помощи рабочих.
Это позволяет существенно сэкономить на утеплении частных и дачных домов. Благодаря низкой теплопроводности пеноплекса, готовые конструкции получаются достаточно тёплыми.
Что такое экструдированный пенополистирол
Сложное техническое название утеплителя настораживает многих, кто предпочитает использовать в утеплении своих домов только экологически чистые, малогорючие материалы. Современные технологии позволяют не использовать в качестве вспенивателя фреоны. Поэтому для пенополистирольных гранул сейчас применяют только СО2 или хладоны. Так что мы вполне можем назвать его экологически чистым.
Материал имеет ряд характеристик, которые делают его очень привлекательным для частного и малоэтажного строительства, а также для использования в промышленных масштабах.
- Утеплитель не имеет биологической составляющей, поэтому не гниёт и не разлагается. Такие свойства делают его долговечным (срок службы ≥ 50 лет).
- Экологичный утеплитель. Причём можно говорить даже об экологичности его производства.
- Прекрасно зарекомендовал себя в системах «тёплый пол». Поверх пеноплекса 35 монтируется вся конструкция «тёплого пола». Низкий коэффициент теплопроводности будет эффективно сберегать тепло, благодаря чему затраты на отопление дома или квартиры существенно снижаются.
- Широкий круг применения. Утеплитель может использоваться как в дачном доме, так и на аэродроме.
Технические характеристики пеноплекс представлены в таблице ниже.

Где можно применять пеноплекс

Экструдированный пенополистирол нашёл своё применение в различных сферах как в жилом строительстве и ремонте, так и в промышленном.
Его технические характеристики имеют большой разброс по таким показателям, как толщина плиты, горючесть, по прочности, что позволяет утеплять им как взлётные полосы на аэродромах (плиты толщиной 100 мм), так и стены домов, фундаменты и прочее.
Маркировки пеноплекс
Маркировка пеноплекса
Существует несколько маркировок пеноплекс, такие как М35, М45 и другие. Стоит заметить, что это старая маркировка. В настоящее время они не выпускаются.
- Современные маркировки – 31С, 35, 45. Пеноплекс 31С имеет слабые технические характеристики на сжатие, поэтому применяют его в основном для утепления труб или ёмкостей.
- Пеноплекс 35 универсален, довольно прочен, поэтому им можно утеплять как трубы, так и стены зданий, фундаменты, использовать в стяжке на полу. Характеристики этой марки имеют отличные теплоизоляционные качества.
- Пеноплекс 45 с успехом можно использовать для утепления взлётных полос на аэродромах, для изоляции глубоких фундаментов, полов в производственных помещениях. Незаменим он и при обустройстве дорожного покрытия. Его более высокая, чем у 35, плотность отлично выдерживает нагрузки, а почти полное отсутствие водопоглощения не дают полотну вспучиваться после сильных ливней и последующих морозов. Для 45 нет никаких запретов для применения в производственных масштабах.
Чем хорош пеноплекс
Свойства пеноплекса разнообразны, что очень удобно для работ своими руками, на даче или в частном доме.
- Лёгкость монтажа и малый вес позволяют легко смонтировать этот утеплитель, не прибегая к помощи специалистов.
- Такие характеристики пеноплекса как низкий коэффициент теплопроводности, плотность и другие позволяют его использовать не только для наружного утепления, но и для теплоизоляции полов на стадии строительства. Плиты плотностью 45, толщиной от 50 мм, легко выдержат бетонную стяжку, сослужив в дальнейшем отличную службу. У вас всегда будет относительно тёплый пол.
- Плиты пеноплекса, толщиной 20 мм, 30 мм, 50 мм и выше сделают стены, пол и кровлю более тёплыми. Теперь не придётся заботиться о том, чтобы купить тёплые тапочки или свитер. Пеноплекс надёжно защитит вас от непогоды.
- Такое качество пеноплекса, как паронепроницаемость, многих ставит в тупик. Ведь мы привыкли считать и слышать от продавцов в строительных магазинах, что стены (пол, кровля) должны дышать. Но задумайтесь. Через эти микропоры наш дом (деревянный или кирпичный) не только дышит, но и теряет тепло. Используя утеплитель пеноплекс, просто организуйте качественную вентиляцию в своём помещении, обустроив, например, систему микропроветривания и поставьте вытяжку. Таким образом вы создадите здоровый микроклимат в своём жилище.
- Лёгкость материала
- Хорошо держит тепло
- Крепость материала
Немного о горючести пеноплекса
Большинство доморощенных строителей считают, что пеноплекс ничем не отличается от пенопласта, разве что своей структурой. Такие его свойства как горючесть и водопоглощение приравниваются к свойствам пенопласта. Это неверно.
Сейчас выпускается как негорючий пенопласт, так и вполне горючий пеноплекс. Поэтому доверять слухам, что пеноплекс сильно горит, или нет – ваше решение. Однако заметим, что пеноплекс лишён возможности самовозгорания. При наличии источника постоянного огня он лишь плавится, с выделением угарного (СО) и углекислого (СО2) газов. Если огонь сразу потушить, не будет наблюдаться даже тления. Поэтому выбирая между современным пенопластом и пеноплексом, отдайте предпочтение второму материалу.
Важно. Отлично горит обычный пенопласт, который вы легко найдёте в коробке с какой-нибудь бытовой техникой. Но глупо считать, что между ним и строительным пеноплексом нет никакой разницы. Ни одна из разновидностей пеноплекса не горит, а только плавится при наличии источника открытого огня.
Российские марки пеноплекса
Российские умельцы не обошли стороной производство столь востребованного утеплителя как пеноплекс. На нашем рынке есть такие марки как «Техноплекс» от корпорации «Технониколь» и «Полиспен». Рассмотрим подробно каждую из них.
Техноплекс
Техноплекс разработан специально для частного строительства, а также для обустройства системы тёплый пол. В производстве используются нанотехнологии – частицы графита, усиливающие эффект низкой теплопроводности и ещё более повышающие прочность плит материала. Плиты этого утеплителя светло-серебристые и отвечают всем нормам производства пеноплекса.
Утеплитель Техноплекс производится плитами с различными параметрами. Возможны даже индивидуальные размеры, если этого просит заказчик. Толщина плит различна – 20, 30, 40, 50 и 100 мм. Все плиты, кроме 20-ки, имеют специальную кромку, которая при монтаже исключает появление мостиков холода. Плиты Техноплекс могут храниться как в помещении, так и на открытом воздухе при условии целостности заводской упаковки.
После монтажа поверхность утеплителя Техноплекс необходимо изолировать от атмосферных воздействий.
Полиспен
ООО «Полиспен» с успехом выпускает экструдированный пенополистирол под одноимённой маркой. В производстве находятся три типа пеноплексовых плит, отличающихся друг от друга характеристиками – плотностью сжатия, коэффициентом теплопроводности и горючестью. Это марки:
- «Полиспен Стандарт»
- «Полиспен 35»
- «Полиспен 45»
Цифры 35 и 45 означают плотность материала, соответственно 35 кг/м3 и 45 кг/м3. При производстве используются специальные вещества, снижающие горючесть – антипирены.
Плиты «Полиспен Стандарт» применяются там, где их горючая составляющая наименее важна – при внутреннем утеплении пола, в фундаментах. Плиты плотностью 35 применяются для утепления ограждений и несущих конструкций зданий. Плиты «Полиспен» плотностью 45 применяются в обустройстве дорожных покрытий, а также конструкций, несущих избыточную нагрузку.
Итак, мы имеем отличный теплоизоляционный материал, выполненный в виде плит различной толщины – 20, 30, 40, 50, 60, 80 и 100 мм (в зависимости от производителя линейка толщин может меняться, стандартная линейка – 20/30/40/50/100), пропитанный в разной степени антипиренами (цена негорючего материала дороже), различной плотности и прочности на сжатие, применяемый как в частном домостроении, так и в промышленности. Российские марки пеноплекса, такие как Теноплекс и Полиспен, отлично зарекомендовали себя на российском рынке.
Нравится?
Посмотрите похожие статьи:izollab.ru
Пенополистирол пеноплекс 20 или 30мм что выбрать. Выбор теплоизоляции по горючести. Разбор по составу
Пенопласт и пеноплекс ─ материалы, которые используются в качестве утеплителей в разных сферах строительства. Они просты в обработке, обладают небольшой массой, не подвержены образованию плесени и грибка, но разрушаются при воздействии ацетона и аналогичных растворителей. Однако при огромном сходстве материалов по некоторым параметрам просматривается и значительная разница.
Чтобы понять, чем отличается пеноплекс от пенопласта, нужно сравнить способы их производства и потребительские свойства. Это поможет правильно найти область применения для каждого утеплителя.
Особенности изготовления
Сырьем для производства пенопласта и пеноплекса служит пенополистирол. Разница ─ в технологии изготовления. Пенопласт производится путем обработки гранул полистирола сухим паром. В результате получается материал, который на 98 % состоит из воздуха, отсюда его легкость и недорогая цена.
Для пеноплекса используют метод экструзии, который способствует образованию единой структуры. Полученный материал более плотный и степень его воздухопроницаемости намного ниже.
Желая узнать, что теплее пенопласт или пеноплекс, нужно сравнить коэффициенты теплопроводности утеплителей. У пенопласта он равен 0,035-0,05 Вт/м×°С, а у пеноплекса несколько ниже и составляет 0,28 Вт/м×°С. Согласно показателям пеноплекс лучше задерживает тепло.
Сравнение характеристик
Среди других свойств, по которым сравнивают оба материала, можно выделить:
- Прочность. Пенопласт менее плотный и крошится при изменении условий эксплуатации. У пеноплекса прочность на изгиб больше в 5-6 раз.
- Плотность. Она выше у пеноплекса, поэтому его используют для утепления напольного покрытия при интенсивном использовании.
- Проницаемость. Поскольку структура пенопласта содержит множество пустот, то он отличается высоким влагопоглощением, превышающим аналогичный показатель пеноплексапеноплекс в 10 раз.
- Теплоотдача. Поскольку теплопроводность пеноплекса и пенопласта, то и коэффициент теплоотдачи у них будет разный.
По степени горючести оба материала относятся легко поджигаемым материалам, но пеноплекс более склонен к возгоранию. Для устранения этого недостатка используют специальную обработку антипиренами, что повышает сопротивляемость маатериалов при воздействии огня.
Область применения
Выясняя, пенопласт или пеноплекс ─ что лучше в качестве утеплителей, нужно сравнивать их характеристики комплексно. Тогда для каждого случая можно подобрать оптимальный вариант.
Фасад утеплять лучше пенопластом, поскольку он дешевле и отличается хорошей воздухопроницаемостью. Поэтому можно сэкономить не только на теплоизоляционном материале, но и снизить траты на пароизоляцию.
Для теплоизоляции плоской крыши выгодны два варианта.
При утеплении балкона теплоизоляция должна быть как можно тоньше, чтобы не занимать лишнее пространство. В этом случае целесообразно выбрать пеноплекс, который имеет низкую теплопроводность.
Утеплители пенопласт и Пеноплекс нередко подвергаются сравнению, ведь изготавливаются они из одного сырья и практически являются «родственниками». Вот только гранулы стирола, которые нужны для их производства, проходят совершенно разные технологические процессы. В первом случае их обрабатывают паром в специальных формах, где они расширяются и склеиваются друг с другом. Во втором – шарики стирола после предварительного вспучивания и спекания протягиваются через экструдер, а затем происходит окончательное вспенивание.
Отличия в технологии производства и формовки плитных утеплителей обусловили и разницу в их структуре. ПСБ оказался более хрупким: из-за слабых связей между полыми гранулами он начинает крошиться при малейшем механическом воздействии. У Пеноплекса строение однородное, и пузырьки воздуха распределяются во всей плите равномерно. А стенки гранул после продавливания через экструдер превращаются в единую сложную систему перемычек.
Из этого вытекает главное отличие между двумя видами теплоизоляции – механическая прочность. Плиты Пеноплэкс в зависимости от плотности хорошо держат давление 250-500 и до 1000 кПа на изгиб. В то время как у пенопласта соответствующие характеристики не превышают 200 по тем же позициям. Монолитная структура ЭППС обеспечивает ему и минимальное водопоглощение – 0,2-0,4% против 2-3% у ПСБ. Именно поэтому качественное утепление фасада дома снаружи, а также защита других внешних конструкций требует применения Пеноплекса.
Что же касается показателей эффективности, то здесь особых отличий в технических описаниях нет. Оба материала хорошо справляются с утеплением, поскольку их основные характеристики во многом определяются низкой плотностью. Правда, среди пенопластов нет плит с коэффициентом R = 0,03 Вт/м·К – их теплопроводность находится в пределах 0,038-0,05. А для ЭППС такая цифра вполне реальна при весе 28-33 кг/м3. То есть объективно – экструдированные листы теплее.
В базовом варианте Пеноплекс и обычный ПСБ имеют разную группу горючести: Г4 и Г3 соответственно. Однако пожароопасность этих утеплителей заставила производителей использовать при их изготовлении специальные антипирены, благодаря которым полистиролы обрели способность к самозатуханию. Тем не менее, высокое дымообразование, а также критическое количество выделяемых в воздух токсинов при горении у обоих видов теплоизоляции остается слабой стороной.
jtcase.ru
Пенопласт или Пеноплекс — в чем разница: характеристики утеплителей, технология изготовления
В строительстве широко применяется утепление материалами из полистиролов — термопластических полимеров, переходящих при нагревании в вязкое состояние и поддающихся формованию. Пластмассы наполняются газом и приобретают структуру застывшей пены. Полученный материал очень легкий, что хорошо при монтаже, и обладает низкой теплопроводностью благодаря тому, что более чем на 90 % состоит из воздуха. Выпускается в виде плит 1200х600 мм (Пеноплэкс) или 2000х1000, 1000х1000, 1000х500 (пенопласт), толщиной от 10 до 100 мм.
Оглавление:
- Сравнение технологий изготовления
- Обзор технических характеристик
Технология производства
И один и другой утеплитель получают из полистирола, чем объясняются схожие характеристики. Они не подвержены гниению и биораспаду, хорошо поддаются механической обработке, не впитывают воду и не растворяются в ней. Но пенопласт, как и Пеноплекс, разрушается такими жидкостями, как: ацетон, бензол, дихлорэтан, бензин. При установке теплоизоляции важно правильно выбрать сопутствующие материалы: клей или лакокрасочное покрытие. Кроме того, пенопласт и Пеноплекс портятся под воздействием ультрафиолета и при хранении их необходимо закрывать от дневного света. По этой же причине, если утепление устанавливается снаружи здания, обязательны дальнейшие отделочные работы.
Полистирол — легковоспламеняющееся вещество, для снижения пожароопасности в его состав включаются антипирены. Пенопласт выпускается двух видов: со специальными добавками для уменьшения горючести или без них. Согласно ГОСТ 15588-86, в обозначении типа плиты (ПСБ-С или ПСБ) буква С символизирует наличие антипиренов. Однако как пенопласт, так и Пеноплекс недопустимо использовать для теплоизоляции участков помещений вблизи печей, каминов, газовых приборов и других источников открытого огня. От технологии изготовления изоляционных материалов зависят их следующие характеристики:
- прочность;
- водопоглощение;
- паропроницаемость;
- теплопроводность.
Пенопласт производят из гранул полистирола, в которых равномерно растворена легкокипящая жидкость. Нагревание приводит к ее вспениванию и увеличению микрочастиц в 10–30 раз, одновременно осуществляется их спекание и формование блока, который затем нарезается на плиты нужной толщины. В итоге, пенопласт состоит из шариков с непроницаемой оболочкой и микропорами внутри. Однако между отдельными гранулами остаются пустоты и связь недостаточно прочна.
Пеноплекс (экструдированный пенополистирол или ЭППС) изготавливается другим способом: частицы исходного вещества, в результате нагревания, превращаются в однородную текучую массу, которая после вспенивания выдавливается через формующий экструдер. В помещении будет теплее, если для изоляции использовать материал, полученный по этой технологии.

Прочность на сжатие
Благодаря однородной структуре, любая плита Пеноплекса прочнее пенопласта самой высокой плотности (см. таблицу). Так, экструдированный пенополистирол марки Стена выдерживает нагрузку 0,2 МПа, тогда как ПСБ-С-50, который значительно плотнее и тяжелее, лишь 0,16 МПа. Тем не менее, пенопласт обладает достаточной прочностью и оба материала можно использовать для организации теплоизоляции пола в жилых помещениях. В этом случае вполне допустимо выбрать те варианты, стоимость которых ниже.
Технические характеристики Пеноплекса и пенопласта:
| Наименование | Плотность, кг/м3 | Прочность на сжатие,МПа | Водопоглощение за 24 часа, в % к объему | Паропроницаемость, мг/(м·ч·Па) | Удельная теплопроводность, Вт/(м·К) |
| Пеноплэкс | |||||
| Стена | 25,0–32,0 | 0,20 | 0,4 | 0,008 | 0,030 |
| Фундамент | 29,0–33,0 | 0,27 | 0,007 | 0,033 | |
| Кровля | 28,0–38,0 | 0,25 | 0,030 | ||
| 45 | 38,1–45,0 | 0,50 | 0,2 | ||
| Пенопласт | |||||
| ПСБ-С-15 | до 15,0 | 0,04 | 4 | 0,230 | 0,043 |
| ПСБ-С-25 | 15,1–25,0 | 0,08 | 3 | 0,041 | |
| ПСБ-С-35 | 25,1–35,0 | 0,14 | 2 | 0,038 | |
| ПСБ-С-50 | 35,1–50,0 | 0,16 | 0,041 | ||

Водопоглощение и паропроницаемость
Столь существенная разница в значениях этих показателей (см. таблицу) также обусловлена различными технологиями производства изоляционных плит. В пустоты между гранулами пенопласта может проникать жидкость и пар. Пеноплекс же почти не пропускает ни воздух, ни воду, а то несущественное водопоглощение (0,2–0,4 % от объема), о котором говорится в технических характеристиках, объясняется тем, что влагой заполняются открытые поры на поверхностях материала. Причем, его значение практически не меняется с течением времени. Так, количество воды, которое поглощает Пеноплекс за 28 суток, не превышает 0,4–0,5 % от общего объема плиты, тогда как пенопласт набирает 2–4 % за 24 часа.
Низкий показатель впитывания жидкости имеет решающую роль, если необходимо провести утепление фундамента, цоколя и отмостки вокруг дома, так как материал соприкасается с грунтом. В этом случае, безусловно, лучше использовать Пеноплекс. Однако пожароопасность утеплителя, который закапывается в землю, становится несущественной, и можно выбрать немодифицированный вариант без антипиреновых добавок, если цена на него меньше. Пенопласт же лучше подходит для теплоизоляции наружных стен выше уровня земли, благодаря своей воздухопроницаемости. Его применение позволяет отказаться от установки дополнительной пароизоляции внутри помещения.
Когда нужно провести утепление жилой комнаты, но сделать это снаружи невозможно, лучше взять не пропускающий воздух Пеноплекс (во избежание смещения точки росы). По этой же причине он предпочтительнее для балкона или внутренних стен гаража. А для теплоизоляции бассейна, пола в ванной комнате или кухне, Пеноплекс лучше пенопласта, так как практически не впитывает жидкость. Высокая прочность, легкость, долговечность, водонепроницаемость и низкие затраты на производство позволяют широко использовать его в вагоно-, судо- и авиастроении. Кроме того — с целью защиты от промерзания и морозного пучения грунта, Пеноплэкс применяют для утепления:
- автомобильного и железнодорожного полотна;
- взлетных полос аэропортов;
- спортивных площадок.

Теплопроводность
Величина показателя характеризует способность пенопласта и Пеноплекса задерживать холод. Чем меньше значение (см. таблицу), тем теплее будет в доме, для изоляции которого использован материал одной и той же толщины. Здесь Пеноплекс имеет явное преимущество, кроме того — плиты со стыковочными пазами легко устанавливаются и отпадает необходимость применения монтажной пены. Отсутствуют мостики холода, в помещении значительно теплее, что позволяет снизить расходы на его обогрев.
При производстве пенопластовых плит такой же формы проводится дополнительная технологическая операция (фрезеровка краев), соответственно увеличиваются затраты материала и его цена. Одновременно на глубину паза уменьшаются и рабочие размеры, что важно учесть при расчетах нужного количества теплоизоляции.
termoframe.ru
